- Location
- Michigan
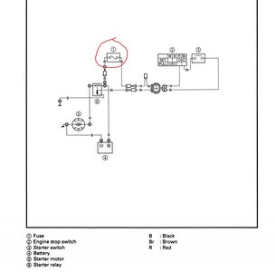
Hey guys rewiring a rats nest. wondering if there are supposed to be two fuses in the ebox. I know the one from the start switch to the solenoid exists but should there be a second from the battery to the rectifier? slightly confused. the two pages of the manual are attached... Also how many grounds should there be in a 61x e box... I count 5 on the same post... sound correct? Currrent wiring attached with labels.... input from anyone?
Thanks! Currently in the garage working through this


Thanks! Currently in the garage working through this



Last edited: